Benutzer-Werkzeuge


weiteres:arduino:capmoisture

Kapazitiver Bodenfeuchtesensor

Im Internet gibt es einen kapazitiven Bodenfeuchtesensor (Capacitive Moisture Sensor). Als zentraler Baustein ist ein TL555 eingesetzt. Ich habe diesen näher untersucht, um Grenzwerte zu verstehen. Der Sensor arbeitet mit konstanter Frequenz, bei meinem Modell waren es 350kHz.


Oszillogramme

Das linke Oszillogramm zeigt das Signal in Luft, des rechte im Wasser

Durch den 10k-Widerstand und die veränderliche Kapazität, die durch die große Fläche der Spitze gebildet wird, wird das Ausgangssignal um die halbe Betriebsspannung herum verschliffen. Diese Spannung wird Spitzengleichgerichtet durch die nachfolgende Diode, den 1MOhm-Widerstand und den 1µF-Kondensator.

Der erreichbare Spannungshub liegt bei ca. 1,1V


Simulation

Anschließend habe ich die Schaltung mit LTSpice simuliert. Die Kapazität wurde mit 10pF für Luft und 200pF im Wasser simuliert.

Die gleichgerichtete und geglättete Aussgangsspannung liegt um die Fluss-Spannung der Diode niedriger als der Spitzenwert. Zu beachten ist auch, dass der Eingangswiderstand des AD-Wandlers mindestens um den Faktor 10 größer sein sollte als der Ausgangswiderstand. Sinnvoll wäre ein Nachschalten eines Impedanzwandlers für einen niederohmigen Ausgang. Die Simulation zeigt auch, dass frühestens nach ca. 300ms erst das Ausgangssignal stabil ist. Dies ist z.B. bei nur kurzzeitiger Aktivierung der Messung zubeachten.

Verbesserungsmöglichkeit

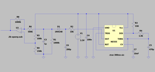
Oben wurde beschrieben, dass der Ausgang des Sensors sehr hochohmig ist, und ein nicht sehr hochohmiger Eingang des AD-Wandlers Einfluss auf dass Messergebnis haben kann. Eine Möglichkeit der Verbesserung mit einem OPV zur Verschiebung und Verstärkung des Signals wurde simuliert, ebenfalls mit 10pF und 200pF. Die Verstärkung wurde auf 2 festgelegt und die Mittenspannung wurde auf ca. 2V eingestellt. Das Signal ist jetzt invertiert. Bei niedrieger Bodenfeuchtigkeit wird ein niedriger Spannungswert ausgegeben, bei hoher Bodenfeuchtigkeit ein hoher Spannungswert (gelbes Signal. Bei der Simulation wird zum Anfang ein hoher Wert ausgegeben, der aber aufgrund der Betriebsspannung nicht so hoch ausfallen kann.

Als OPV soll bei der Umsetzung der MCP6471, der geringe Bias-Ströme und gutes Rail-to-Rail-Verhalten aufweist, eingesetzt werden.

weiteres/arduino/capmoisture.txt · Zuletzt geändert: 2025/07/23 21:52 von miho